Uwaga – strona w przebudowie! Przepraszamy za wszelkie niedoskonałości.

ECO K-PE | 3/15-1,0 | 3/15-1,6 | 3/15-2,2 | 3/30-0,9 | 3/30-1,5 | 3/30-2,2 |
|---|---|---|---|---|---|---|
Przepust. nominalna [l/s] | 3 | 3 | 3 | 3 | 3 | 3 |
Przepustowość maksymalna [l/s] | 30 | 30 | 30 | 30 | 30 | 30 |
Pojemność osadnika [l] | 1000 | 1600 | 2200 | 900 | 1500 | 2200 |
ECO K-PE | 6/30-0,6 | 6/30-1,5 | 6/30-2,2 | 6/60-0,6 | 6/60-1,4 | 6/60-2,1 |
|---|---|---|---|---|---|---|
Przepust. nominalna [l/s] | 6 | 6 | 6 | 6 | 6 | 6 |
Przepustowość maksymalna [l/s] | 60 | 60 | 60 | 60 | 60 | 60 |
Pojemność osadnika [l] | 600 | 1500 | 1200 | 600 | 1400 | 2100 |
ECO K-PE | 10/50-1,0 | 10/50-2,2 | 10/100-1,0 | 10/100-2,1 | 15/150-1,5 | |
|---|---|---|---|---|---|---|
Przepust. nominalna [l/s] | 10 | 10 | 10 | 10 | 15 | |
Przepustowość maksymalna [l/s] | 100 | 100 | 100 | 100 | 150 | |
Pojemność osadnika [l] | 1000 | 2200 | 1000 | 2100 | 1500 |
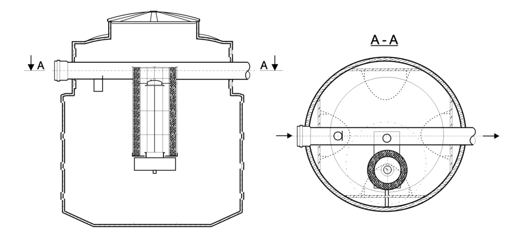
ECO K-PE – typoszereg
3 – przepływ nominalny [l/s]
/30 – przepływ maksymalny [l/s]
0,6 – pojemność osadnika [m3]
Specjalizujemy się w produkcji i dostarczaniu kompleksowych rozwiązań w zakresie oczyszczania i transportu ścieków, obsługując szeroki wachlarz branż, od transportowej i paliwowej, przez spożywczą, aż po motoryzacyjną.
ECOLOGIC – lider w branży ochrony środowiska