Uwaga – strona w przebudowie! Przepraszamy za wszelkie niedoskonałości.

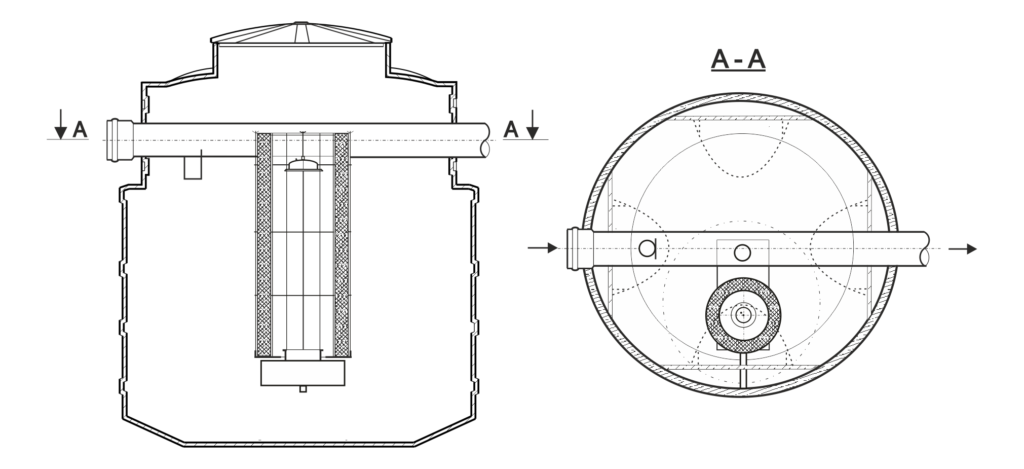
Separatory koalescencyjne z kanałem odciążającym
  • W przypadku rzeczywistego zagłębienia kanalizacji większego od wartości “A” należy nadbudować separator nadstawkami regulacyjnymi
  • Wszystkie urządzenia w wykonaniu najazdowym z włazami Ø600 w klasach obciążenia C250 lub D400.

Separator koalescencyjny z kanałem odciążającym ECO-H PE

Rodzaj separatora:
Separatory koalescencyjne z kanałem odciążającym
Rodzaj zbiornika:
Zbiorniki PEHD

Parametry techiczne

ECO H-PE
3/15
3/30
10/100
6/60
10/50
10/100
15/75
15/150
Przepustowość [l/s]
3
3
6
6
10
10
15
15
Pojemność osadnika [l]
15
30
30
60
50
100
75
150

Przykładowy sposób oznaczania separatorów ECO II

ECO II – typoszereg
NG – wielkość nominalna
3 – przepływ nominalny [l/s]
/ 0,6 – pojemność osadnika [m3]

Zobacz również inne urządzenia